Q28電感式接近開關,熱處理機床傳感器,旋轉檢測接近開關

Features:
Thread size / 螺紋尺寸: Q28 非屏蔽式
Sn / 檢測離距: 標準Sn:2mm 長距Sn:4mm 超長Sn:6mm
The power supply/工作電壓:DC: 10-30V
No-load current / 空載電流: DC: <10mA
Maximum load current / 最大負載電流: DC: 200mA
Leakge current / 漏電流: DC: <0.01mA
Voltage drop max / 電壓降: DC: <1.5V
Swithing frequency / 開關頻率: DC: 500Hz
Response time / 響應時間: DC: 0.5mS /0.5mS
Swithing hysteresis / 開關滯后: <15%(sr)
Repeat accuracy / 重復精度: <1.0% (sr)
Degree of protection / 防護等級: IP 67
Operating temperature / 工作溫度: -25℃—+70℃
Temperature drift / 溫度漂移: <10%(sr)
Short circuit protection / 短路保護: Yes
Led display / LED燈顯示 :Yes
Material active face / 感應面材料 :POM
Housing material / 外殼材料:不銹鋼
The connection method / 連接方式:出線式
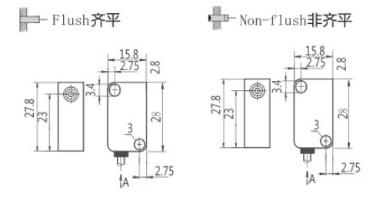
Machine size map/機械尺寸圖:

Electrical connection / 電氣連接:NPN / PNP 工作狀態:常開 / 常閉
以上內容就是我們為您的簡單介紹,如果您想了解更多這方面的知識,或者了解接近傳感器的型號,歡迎您撥打電話025-66075066聯系我們,我們將竭誠為您服務。
|